
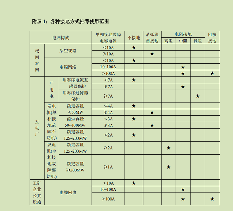
中性点最重要的两种接地方式为经电阻接地和经消弧线圈接地,在实际设计过程中,可能有设计人员不太清楚这两种接地方式的区别,不知道什么时候用电阻接地,什么时候用消弧线圈接地,也不知用高阻还是中阻或者小电阻柜,下表给做参考:

注:传统的分类把电阻接地区分为高电阻接地和低电阻接地两种。高电阻接地一般采用接地故障电流小于10A。低电阻接地一般采用接地故障电流为100~1000A。其中没有给出10~100A区间的电阻定义。为了便于选择,本表格将电阻细划为三个区段,对应的阻值如下:高阻:>500Ω接地故障电流<10~15A中阻:10~500Ω15A<接地故障电流<600A低阻:<10Ω接地故障电流>600A